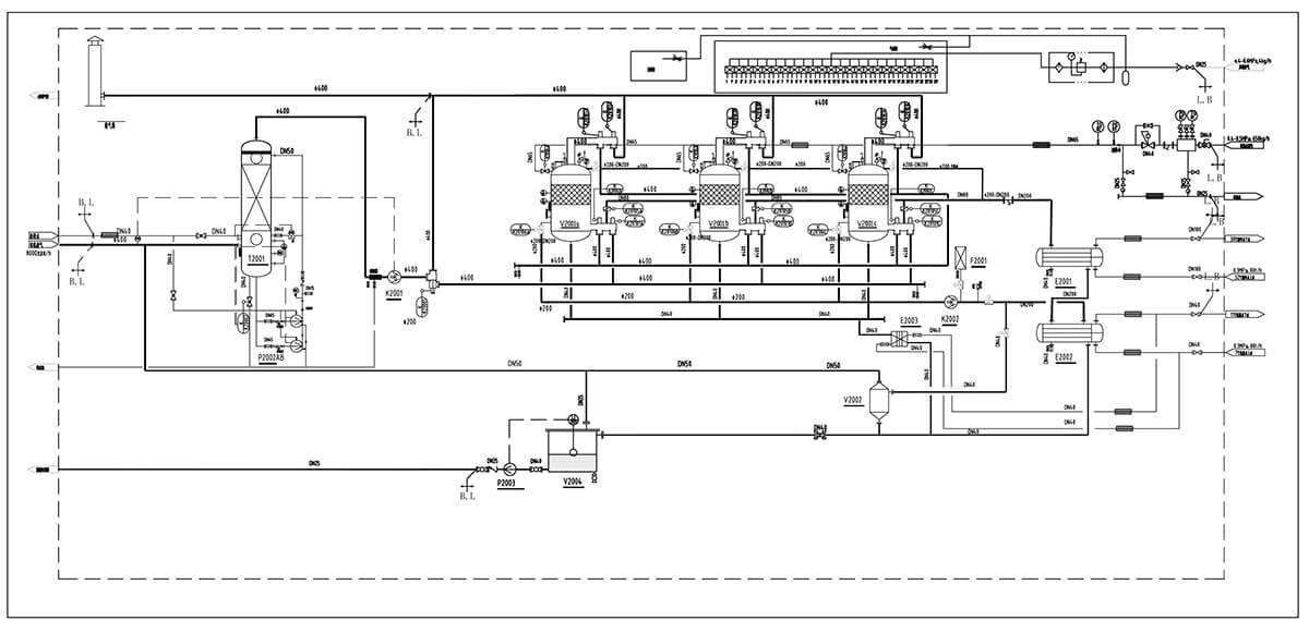
Process Flow Design
Project
Device
Packing
Column Internals
Macroporous Aluminum Hydroxide Powder
Activated Alumina